产品样本
-
-
[文件编号] CP-PC-2276[型号]LS / SL1 / FL7M / FL7S / H3C / HP7-BGS / C15 / C25 / C26 / C35 / C36 / C45A / C46A / C7G / NX / NX-SVG / YY / HTY / PGM / PU / ACT / AGVB / VFR / ECM3000 / RX / AUR455 / GV / C6097A / AUD300C1000 / ATN110A-1 / CMG□□□ / F7M / JTD9 / SPS300A / PTGLS / SL1 / FL7M / FL7S / H3C / HP7-BGS / C15 / C25 / C26 / C35 / C36 / C45A / C46A / C7G / NX / NX-SVG / YY / HTY / PGM / PU / ACT / AGVB / VFR / ECM3000 / RX / AUR455 / GV / C6097A / AUD300C1000 / ATN110A-1 / CMG□□□ / F7M / JTD9 / SPS300A / PTGPDF / 1.80 MB日语 -
[文件编号] CP-PC-2276E[型号]LS / SL1 / FL7M / FL7S / H3C / HP7-BGS / C15 / C25 / C26 / C35 / C36 / C45A / C46A / C7G / NX / NX-SVG / YY / HTY / PGM / PU / ACT / AGVB / VFR / ECM3000 / RX / AUR455 / GV / C6097A / AUD300C1000 / ATN110A-1 / CMG□□□ / F7M / JTD9 / SPS300A / PTGLS / SL1 / FL7M / FL7S / H3C / HP7-BGS / C15 / C25 / C26 / C35 / C36 / C45A / C46A / C7G / NX / NX-SVG / YY / HTY / PGM / PU / ACT / AGVB / VFR / ECM3000 / RX / AUR455 / GV / C6097A / AUD300C1000 / ATN110A-1 / CMG□□□ / F7M / JTD9 / SPS300A / PTGPDF / 1.53 MB英语 -
[文件编号] GC-FL7M-C[型号]FL7M-□□□□□-C /FL7M-□□□□□-C /PDF / 542.27 KB日语 -
[文件编号] GC-FL7M-A[型号]FL7M-□□□A /FL7M-□□□A /PDF / 761.25 KB日语 -
-
[文件编号] GC-FL7M-5[型号]FL7M-□□□□ /FL7M-□□□□ /PDF / 661.65 KB日语 -
[文件编号] GC-FL7M-4[型号]FL7M-□□□□ /FL7M-□□□□ /PDF / 669.45 KB日语 -
[文件编号] GC-FL7M-3[型号]FL7M-□□□□W /FL7M-□□□□W /PDF / 1.09 MB日语 -
[文件编号] GC-FL7M-2[型号]FL7M-□□□□ /FL7M-□□□□ /PDF / 645.86 KB日语 -
-
-
-
-
-
产品规格书
-
[文件编号] CP-SS-1966[型号]FL7M-□J / FL7M-□K6□□FL7M-□J / FL7M-□K6□□PDF / 2.72 MB日语
使用说明书
-
[文件编号] CP-UM-5373[型号]FL7M-□□□□ /FL7M-□□□□ /PDF / 534.21 KB日语 -
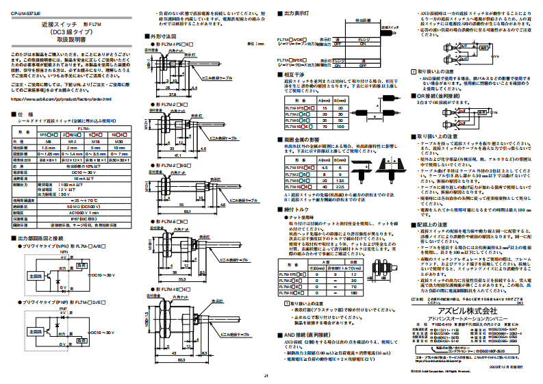
[文件编号] CP-UM-5373JE[型号]FL7M-□□□□ /FL7M-□□□□ /PDF / 825.62 KB日语, 英语 -
[文件编号] CP-UM-5373E[型号]FL7M-□□□□ /FL7M-□□□□ /PDF / 403.16 KB英语 -
[文件编号] CP-UM-5291C[型号]FL7M-4□6 / FL7M-8□6 / FL7M-15□6FL7M-4□6 / FL7M-8□6 / FL7M-15□6PDF / 178.57 KB中文 -
[文件编号] CP-UM-5291JE[型号]FL7M-4□6 / FL7M-8□6 / FL7M-15□6FL7M-4□6 / FL7M-8□6 / FL7M-15□6PDF / 298.90 KB日语, 英语 -
[文件编号] CP-UM-5110C[型号]FL7M-2□6□ / FL7M-3□6□ / FL7M-7□6□ / FL7M-10□6□FL7M-2□6□ / FL7M-3□6□ / FL7M-7□6□ / FL7M-10□6□PDF / 774.08 KB中文 -
[文件编号] CP-UM-5110JE[型号]FL7M-2□6□ / FL7M-3□6□ / FL7M-7□6□ / FL7M-10□6□FL7M-2□6□ / FL7M-3□6□ / FL7M-7□6□ / FL7M-10□6□PDF / 1.10 MB日语, 英语 -
[文件编号] CP-UM-3076JE[型号]FL7M-□□□A /FL7M-□□□A /PDF / 349.58 KB日语, 英语 -
[文件编号] CP-SP-1178JE[型号]FL7M-□□□□ /FL7M-□□□□ /PDF / 1.02 MB日语, 英语 -
[文件编号] CP-SP-1177JE[型号]FL7M-□□□□ /FL7M-□□□□ /PDF / 301.73 KB日语, 英语
如有任何问题请与我们联系
如果您对仪器、产品或服务有任何疑问,请随时与我们联系。